
HNP熔體泵介紹
漢諾工業泵HNP系列熔體泵計量泵主要用于高溫高粘度聚合物熔體的輸送、增壓、計量。HNP系列擠出專用泵(熔體泵)將來自擠出機的高溫塑料熔體增壓.穩壓后流量穩定地送入擠出機頭。其穩定熔體壓力、精準流量的能力優于各種類型的泵型。國外廣泛應用于聚丙烯、塑料、樹脂、橡膠制品的擠出成型。如:熔噴機、造粒、薄膜、管材、板材、片材等行業。隨著機械工業的日益發展,熔體泵在國內市場也逐漸地被行業人士所采納、應用。
HNP熔體計量泵優點
1、HNP系列:工作溫度:≤400℃(750℉),清洗溫度:≤450℃(850℉),出口壓力≤40Mpa(6,000psi),黏度:≤30000Pa.s
2、密封 一般采用螺旋密封和填料密封,也可根據客戶要求采用其他機械密封形式。
3、驅動 電機+減速機+萬向聯軸器+泵體,電機采用變頻調速或伺服調速,可以隨意調至所需流量。對于產品看、精度要求高的,建議采用伺服電機調速。
5、加熱 熔體泵采用電加熱棒加熱或保溫加熱套,可以精確控制熔體溫度。
熔體計量泵屬于容積式齒輪泵,采用一對外齒合的圓柱齒輪(直齒、斜齒、人字齒)相對轉動來運輸送高黏度的流體。所有齒輪和配合面都經過精磨、并嚴格控制裝配間隙來獲得精確的流量。齒輪和泵體根據不同的共況,HNP系列采用鉻鎳合金鋼、高溫工具鋼材料;HNP系列采用進口CPM工具鋼或鈦鉭合金材料,整體淬火,硬度HRC62-68,耐磨性好。
HNP熔體泵參數

HNP熔體泵在熔噴布行業的應用
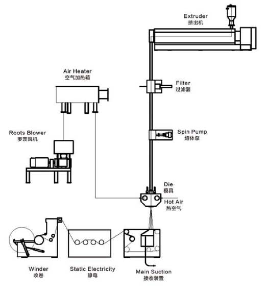
漢諾工業泵HNP熔體計量泵為國內熔噴無紡布生產企業提供優質的計量、過濾設備。熔噴布生產工藝流程:原材料---->熔融擠出---->過濾---->計量(HNP熔噴布計量泵)---->空氣加熱壓縮---->熔噴---->成網---->收卷。

熔噴布生產工藝
其中過濾是指,通過換網過濾器將熔體中的雜質過濾掉,以免堵塞噴絲孔。計量是指,精確計量,控制產量和纖維的細度,將熔體連續均勻輸送到噴絲頭。HNP熔噴布計量泵還具有穩定輸出壓力、提高產品質量、提高擠出產量、降低單位能耗等優勢。如果您想咨詢熔噴布計量泵、熔噴布換網過濾器,請咨詢我們24小時服務熱線:022-60763390